Доставка бесплатна при заказе от 30 000 ₽
|
Артикул
|
EA07.001.004 |
|
Бренд
|
Евроавтоматика F&F |
|
Исполнение
|
Аналоговый |
|
Степень защиты IP
|
IP20 |
|
Ширина в числах модульных расстояний
|
1 |
|
Номинальная частота с
|
50 Гц |
|
Номинальная частота по
|
50 Гц |
|
Номинальное напряжение с
|
230 В |
|
Номинальное напряжение по
|
230 В |
|
Количество каналов
|
1 |
|
Недельная программа
|
Нет |
|
Тип контакта
|
Переключающий контакт |
|
Диапазон настройки понижения температуры с, град.C
|
-4 град.C |
|
Диапазон настройки понижения температуры по, град.C
|
5 град.C |
|
Руководство на дисплее
|
Нет |
|
Длина
|
0.108 |
|
Ширина
|
0.075 |
|
Высота
|
0.052 |
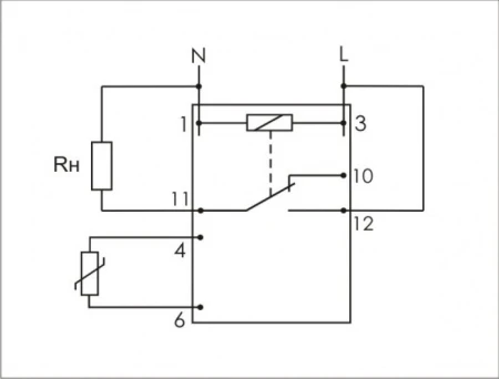
Монтаж на DIN-рейку.
Для контроля и поддержания заданного температурного режима путем включения / выключения нагревательной/охлаждающей установки по сигналам выносного датчика температуры.
В зависимости от выполняемой задачи исполнительное устройство (нагреватель или охладитель) подключаются к определённым контактам выходного реле. При достижении заданной на панели прибора температуры происходит выключение нагревателя (охладителя). Например, в случае нагрева при снижении температуры в контролируемой зоне ниже заданной контакты исполнительного реле замыкаются включается нагреватель. По достижении заданной температуры контакты исполнительного реле размыкаются и нагреватель отключается. При понижении температуры на величину установленного гистерезиса контакты реле замыкаются, и нагреватель включается снова. Для случая охлаждения принцип работы аналогичен.
Особенности:
датчик RT в комплекте;
напряжение питания 230 В AC;
диапазон регулируемых температур -4...+5°C ;
гистерезис 3°C ;
контакт - 1NO/NC (16 А).
Для покупки товара в нашем интернет-магазине выберите понравившийся товар и добавьте его в корзину. Далее перейдите в Корзину и нажмите на «Оформить заказ» или «Быстрый заказ».
Когда оформляете быстрый заказ, напишите ФИО, телефон и e-mail. Вам перезвонит менеджер и уточнит условия заказа. По результатам разговора вам придет подтверждение оформления товара на почту или через СМС. Теперь останется только ждать доставки и радоваться новой покупке.
Оформление заказа в стандартном режиме выглядит следующим образом. Заполняете полностью форму по последовательным этапам: адрес, способ доставки, оплаты, данные о себе. Советуем в комментарии к заказу написать информацию, которая поможет курьеру вас найти. Нажмите кнопку «Оформить заказ».
Минимальная сумма заказа 3 000 рублей
Оплачивайте покупки удобным способом. В интернет-магазине доступно 3 варианта оплаты:
- Наличные при самовывозе или доставке курьером. Специалист свяжется с вами в день доставки, чтобы уточнить время и заранее подготовить сдачу с любой купюры. Вы подписываете товаросопроводительные документы, вносите денежные средства, получаете товар и чек.
- Безналичный расчет при самовывозе или оформлении в интернет-магазине: карты Visa и MasterCard. Чтобы оплатить покупку, система перенаправит вас на сервер системы ASSIST. Здесь нужно ввести номер карты, срок действия и имя держателя.
- Электронные системы при онлайн-заказе: PayPal, WebMoney и Яндекс.Деньги. Для совершения покупки система перенаправит вас на страницу платежного сервиса. Здесь необходимо заполнить форму по инструкции.
Экономьте время на получении заказа. В интернет-магазине доступно 4 варианта доставки:
- Курьерская доставка работает с 9.00 до 19.00. Когда товар поступит на склад, курьерская служба свяжется для уточнения деталей. Специалист предложит выбрать удобное время доставки и уточнит адрес. Осмотрите упаковку на целостность и соответствие указанной комплектации.
- Самовывоз из магазина. Список торговых точек для выбора появится в корзине. Когда заказ поступит на склад, вам придет уведомление. Для получения заказа обратитесь к сотруднику в кассовой зоне и назовите номер.
- Постамат. Когда заказ поступит на точку, на ваш телефон или e-mail придет уникальный код. Заказ нужно оплатить в терминале постамата. Срок хранения — 3 дня.
- Почтовая доставка через почту России. Когда заказ придет в отделение, на ваш адрес придет извещение о посылке. Перед оплатой вы можете оценить состояние коробки: вес, целостность. Вскрывать коробку самостоятельно вы можете только после оплаты заказа. Один заказ может содержать не больше 10 позиций и его стоимость не должна превышать 100 000 р.
